东莞电机环球TVF系列永磁同步电动机过载能力强380V
东莞电机环球TVF系列永磁同步电动机过载能力强380V
产品价格:¥2399.00(人民币)
  • 规格:东莞电机
  • 发货地:广东东莞
  • 品牌:
  • 最小起订量:1
  • 免费会员
    会员级别:试用会员
    认证类型:企业认证
    企业证件:通过认证

    商铺名称:广东粤元机电科技有限公司(销售部)

    联系人:易紫焱(先生)

    联系手机:

    固定电话:

    企业邮箱:yueyuan037@126.com

    联系地址:广东省东莞市虎门镇龙眼二路49号

    邮编:523900

    联系我时,请说是在汽配名企网上看到的,谢谢!

    商品详情
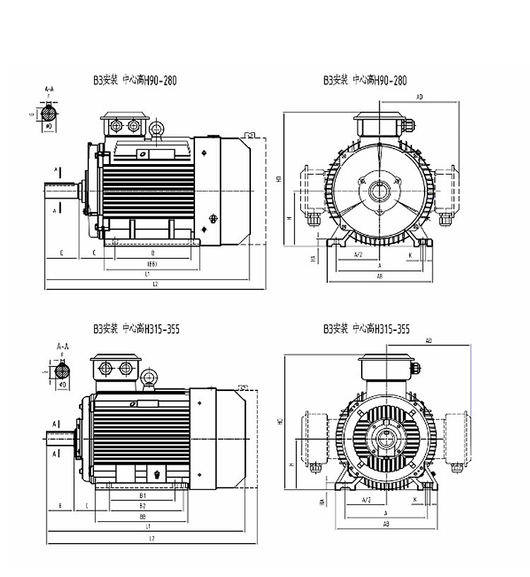
      产品参数
      是否进口
      重量50kg
      功率5.5w
      额定电压380v
      极数4
      空载转速1500RPM
      产地中国
      功能用途搅拌机、空压机
      订货号TVF
      类别永磁同步电动机
      型号TVF
      品牌东莞电机





    0571-87774297