哪里有销售BQ641F气动夹套保温球阀一体式的厂家
哪里有销售BQ641F气动夹套保温球阀一体式的厂家
产品价格:¥定价销售(人民币)
  • 规格:BQ641F
  • 发货地:上海
  • 品牌:
  • 最小起订量:1只
  • 诚信商家
    会员级别:金牌会员
    认证类型:企业认证
    企业证件:通过认证

    商铺名称:上海昊沃阀门有限公司

    联系人:吕经理(先生)

    联系手机:

    固定电话:

    企业邮箱:765761533@qq.com

    联系地址:上海市星云经济园区真北路3199号

    邮编:201900

    联系我时,请说是在汽配名企网上看到的,谢谢!

    商品详情

      哪里有销售BQ641F气动夹套保温球阀一体式的厂家


      BQ641F气动夹套保温球阀一体产品简介:
      具有良好的保温保冷特性,且阀门的通径与管径一致,同时又能有效降低管路中介质热量损失。主要用于石油、化工、冶金、制药、食品等各类系统中,以输送常温下会凝固的高粘度介质。
      在石油、天然气、煤炭和矿石的开采、提炼加工和管道输送系统中;在化工产品、医药和食品生产中;在水电、火电和核电的电力生产系统中;在城市和工业企业的给排水、供热、和供气系统中;在农田的排灌系统中;在治金生产系统中得以广泛的应用,是一种与生产建设、国防建设和人民生活息息相关的重要机械产品。
      气动执行器的选型:
      1. 选用气动执行器的时候,先确定阀门的扭矩,再根据介质增加安全值
      2. 水蒸气或非润滑的介质增加25%安全值
      3. 非润滑的干气介质增加60%安全值
      4. 非润滑用气体输送的颗粒粉料增加100%安全值
      5. 对于清洁、无摩擦的润滑介质增加20%安全值
      6. 最后再根据气源工作压力,查找单双作用式扭矩表,可得到准确的单作用和双作用气动执行器型号。
      设计特点:
      1.由于采用整体式结构,因而电动保温球阀比一般球阀更小,重量更轻,且无外漏,密封性能良好。
      2.夹套采用碳素钢管或304管焊接比铸造的更加耐压牢固。
      3.整体式夹套设计,更能均匀地保温、保冷。夹套、阀体外侧与夹套接管焊接,允许蒸汽或冷水的压力为1.0MPa。
      4.即使外界温度降到零度以下,该阀仍操作灵活保证管道能断开,其优点是一般控制阀门所没有的。
      BQ641F气动夹套保温球阀一体式气动执行器技术参数:

      执行器型号

      GT、AT、ST系列单双作用气动执行器

      供气压力

      0.4~0.7MPa

      气源接口

      G1/4"、G1/8"、G3/8"、G1/2"

      环境温度

      -30~+70℃

      作用形式

      单作用执行机构、双作用执行机构

      可配附件

      定位器、电磁阀、空气过滤减压器、保位阀、行程开关、阀位传送器、手轮机构等

      采用新型气动执行器,有双作用式和单作用式(弹簧复位),齿轮齿条传动,安全可靠;大口径阀门采用系列AW型气动执行器拔叉式传动,结构合理,输出力大,有双作用式和单作用式。
      1、齿轮式双活塞,输出力矩大,体积小。
      2、气缸选用铝金材料,重量轻、外形美观。
      3、可在顶部、底部安装手动操作机构。
      4、齿条式连接可调节开启角度、额定流量。
      5、执行器可选带电讯号反馈指示及附件以实现自动化操作。
      6、IS05211标准连接为产品的安装更换提供了方便。
      7、两端调的节螺钉可使标准产品在0°和90°有±4°的可调范围。确保与内螺纹气动球阀的同步精度。
      阀体性能参数:

      BQ641F气动保温球阀阀体参数

      公称通径

      DN15~200mm

      公称压力

      PN1.6、2.5、4.0、6.4MPa

      阀轴材质

      不锈钢

      阀体材质

      304/316/316L不锈钢

      球体材质

      304/316/316L不锈钢

      阀座密封

      PPL

      温度

      PPL≤300℃

      适用介质

      重油、胶类、巧克力等易凝固介质

      特点

      重量轻、密封性能好、保温保冷


      BQ641F气动夹套保温球阀
      一体式产品零部件材料:

      序号

      零件名称

      材质

      C

      D

      R

      1

      阀盖

      WCB

      ZG1C/18Ni9Ti

      ZG1Cr18Ni12M2Ti

      2

      垫片

      PTFE

      PTFE

      PTFE

      3

      阀座

      PTFE

      PTFE

      PTFE

      4

      球体

      1Cr18Ni9Ti

      1Cr18Ni9Ti

      1Cr18Ni9Ti

      5

      阀座

      PTFE

      PTFE

      PTFE

      6

      夹套阀体

      WCB

      ZG1Cr18Ni9Ti

      ZG1Cr18Ni12Mo2Ti

      7

      螺栓

      35

      1Cr18Ni9i

      1Cr18Ni12Mo2Ti

      8

      阀杆

      1Cr13

      1Cr18Ni9Ti

      1Cr18Ni12Mo2Ti

      9

      垫片

      PTFE

      PTFE

      PTFE

      10

      填料

      PTFE

      PTFE

      PTFE

      11

      衬套

      PTFE

      PTFE

      PTFE

      12

      弹垫

      WCB

      ZG1Cr18Ni9Ti

      ZG1Cr18Ni12Mo2Ti

      13

      垫片

      35

      1Cr18Ni9Ti

      1Cr18Ni9Ti

      14

      螺母

      35

      1Cr18Ni9Ti

      1Cr18N19Ti

      15

      连接支架

      1Cr18Ni9Ti

      1Cr18Ni9Ti

      1Cr18Ni9Ti

      16

      螺栓

      35

      1Cr18Ni9Ti

      1Cr18Ni9Ti

      17

      连接套

      35

      1Cr18Ni9Ti

      1Cr18Ni9Ti

      18

      位置指示器

      塑料

      塑料

      塑料

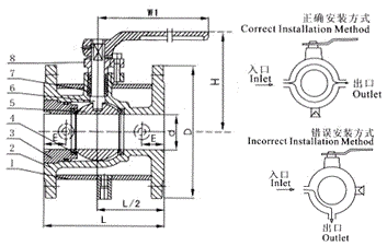
      产品外形与结构尺寸:

      公称通径(DN)

      d

      L

      D

      E

      Q

      H

      W

      管螺纹

      (mm)

      (in)

      (mm)

      (in)

      P

      20

      3/4

      19

      117

      40

      1 1/2

      58.5

      147

      101

      170

      G3/4

      25

      1

      25

      127

      50

      2

      62.5

      156

      106

      170

      G3/4

      40

      1 1/2

      38

      165

      65

      2 1/2

      63.5

      181

      125

      250

      G3/4

      50

      2

      51

      178

      80

      3

      68

      218

      135

      250

      G3/4

      80

      3

      76

      229

      150

      6

      82

      275

      193

      350

      G3/4

      100

      4

      102

      254

      200

      8

      83

      300

      265

      420

      G3/4

      150

      6

      152

      292

      250

      10

      95

      403

      355

      1000

      G3/4

      200

      8

      203

      330

      300

      12

      100

      495

      410

      1300

      G3

    0571-87774297