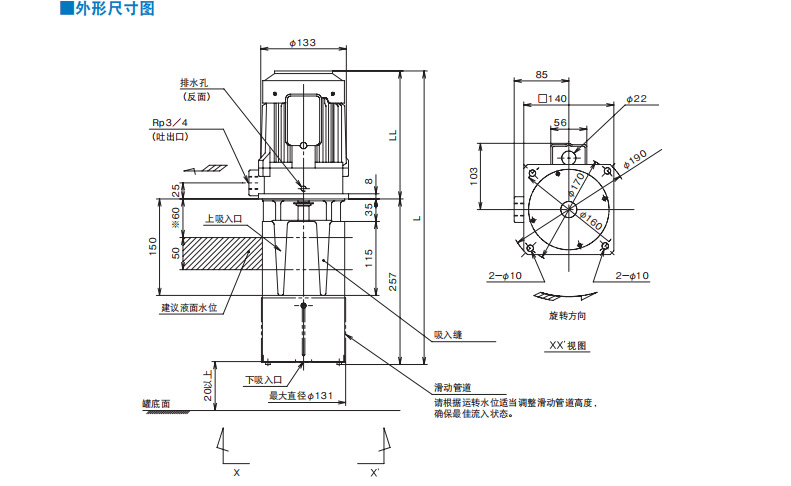
原装进口日本(TERAL)泰拉尔冷却液泵SKM-C50-L型单级浸入型
原装进口日本(TERAL)泰拉尔冷却液泵SKM-C50-L型单级浸入型
产品价格:¥1200.00(人民币)
  • 规格:SKM-C50-L
  • 发货地:江苏苏州
  • 品牌:
  • 最小起订量:1
  • 诚信商家
    会员级别:钻石会员
    认证类型:企业认证
    企业证件:通过认证

    商铺名称:昆山迪凯睿机械科技有限公司

    联系人:唐先生()

    联系手机:

    固定电话:

    企业邮箱:15995681454@163.com

    联系地址:江苏省昆山市玉山镇城北中路1288号

    邮编:

    联系我时,请说是在汽配名企网上看到的,谢谢!

    商品详情
      产品参数
      是否支持加工定制
      是否进口
      电流1A
      电压200V
      级数2P
      扬程5m
      转速3000RPM
      功率0.18KW
      材质叶轮304
      型号SKM-C50-L
      品牌(TERAL)泰拉尔








    0571-87774297