广东电池包检测设备不锈钢磁力泵奥兰克MDW-05无泄漏耐高低温乙二醇泵
广东电池包检测设备不锈钢磁力泵奥兰克MDW-05无泄漏耐高低温乙二醇泵
产品价格:¥4289.00(人民币)
  • 规格:完善
  • 发货地:广东省深圳市宝安区
  • 品牌:
  • 最小起订量:1
  • 免费会员
    会员级别:试用会员
    认证类型:企业认证
    企业证件:通过认证

    商铺名称:昆山奥兰克泵业制造有限公司

    联系人:钟志娟(小姐)

    联系手机:

    固定电话:

    企业邮箱:1142189173@qq.com

    联系地址:江苏省昆山市玉山镇五联路228号

    邮编:

    联系我时,请说是在汽配名企网上看到的,谢谢!

    商品详情
      产品参数
      品牌奥兰克
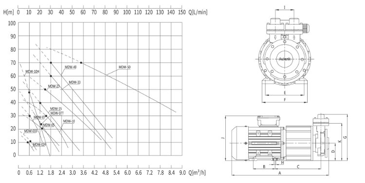
      扬程30m
      性能输送,循环,恒温
      泵轴位置卧式
      输送介质水,导热油,硅油,乙二醇,酒精,化工溶液
      叶轮吸入方式单级单吸
      流量30L/min
      驱动方式磁力驱动
      电压380V2
      功率0.37KW
      加工定制防爆变频
      可售卖地全国
      用途化工制药
      模具控温
      反应釜夹套控温
      检测设备
      材质不锈钢
      型号MDW-05
      1.泵浦简介:
      该款泵浦为磁力驱动式超高温旋涡泵,移送循环介质为不含颗粒、纤维的液体(水、导热油、乙二醇)等。泵浦外观精美、振动小、噪音低、应用于循环 350℃以内高温导热油,循环 180℃以内热水。
      2.应用领域:
      精密超高温模温机、皮革滚轮加热设备、反应釜保温等行业
    0571-87774297