浙江NBD630行星减速机 NBD630-31.5型齿轮箱
浙江NBD630行星减速机 NBD630-31.5型齿轮箱
产品价格:¥56000(人民币)
  • 规格:NBD630-31.5
  • 发货地:江苏泰兴
  • 品牌:
  • 最小起订量:1台
  • 诚信商家
    会员级别:钻石会员
    认证类型:企业认证
    企业证件:通过认证

    商铺名称:泰兴市昌泰减速机有限公司

    联系人:薛先生(先生)

    联系手机:

    固定电话:

    企业邮箱:1553918336@qq.com

    联系地址:泰兴市姚王镇鲁堡

    邮编:225400

    联系我时,请说是在汽配名企网上看到的,谢谢!

    商品详情

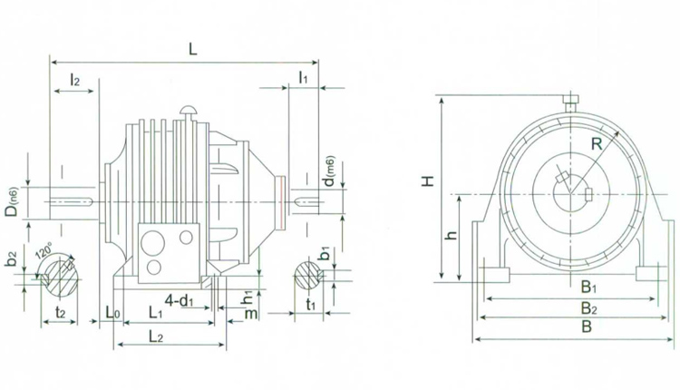
      NBD630行星减速机主要构建有太阳轮、行星轮、内齿圈、行 星架。  为了使三个行星轮的载荷均匀分配,采用了齿式浮动机构, 即太阳轮或行星架浮动,或者太阳轮、行星架两者同时浮动。减 速机中的齿轮为直齿渐开线圆柱齿轮。具有一下特点: 
      1、体积小、重量轻、在相同情况下,比普通渐开线圆柱齿 轮减速机重量轻1/2以上,体积小1/2~1/3。  
      2、 传动效率高:单级行星齿轮减速机达97%~98%;两级 行星齿轮减速机达94%~96%;三级行星齿轮减速机91%~ 94%。 
       3、传动功率范围大:可以从小于1KW至1300KW,甚至更大。 
       4、传动范围大

      5、适应性强。主要零件均采用合金钢经渗碳淬 火或氮化处理,行星齿轮减速机运转平稳、噪音小、使用受命10以上

    0571-87774297