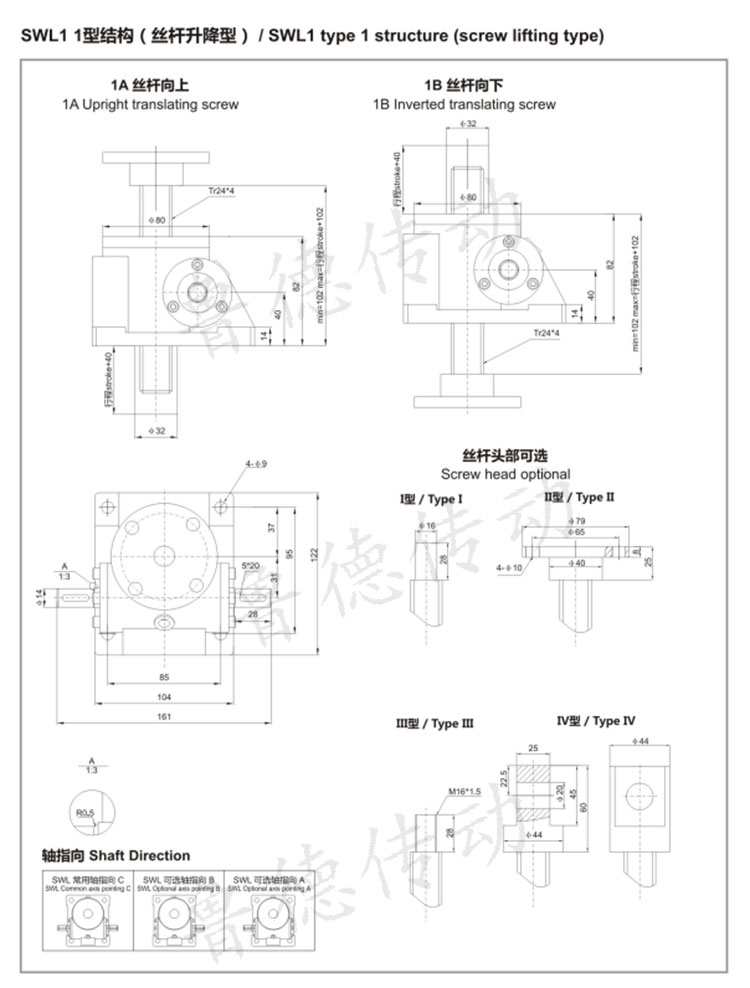
鲁德速比大大行程支持定制螺旋丝杆升降机SWL1-120
鲁德速比大大行程支持定制螺旋丝杆升降机SWL1-120
产品价格:¥590.00(人民币)
  • 规格:蓝色
  • 发货地:山东德州
  • 品牌:
  • 最小起订量:1
  • 免费会员
    会员级别:试用会员
    认证类型:企业认证
    企业证件:通过认证

    商铺名称:德州鲁德传动设备有限公司

    联系人:于经理(小姐)

    联系手机:

    固定电话:

    企业邮箱:2543166683@qq.com

    联系地址:山东省德州市经济开发区

    邮编:253000

    联系我时,请说是在汽配名企网上看到的,谢谢!

    商品详情
      产品参数
      是否支持加工定制
      是否进口
      标准定位精度1mm
      布局形式单台/多台
      型号SWL1
      用途范围工业传动
      月产量800
      制造商鲁德传动
      承载能力2.5T~120T
      颜色蓝色
      应用领域机械/冶金/水利/化工等
      最高输入转速1500r/min
      产品功能提升、下降、推进、翻转
      品牌鲁德传动







    0571-87774297