商铺名称:济宁市国龙物资有限公司
联系人:()
联系手机:
固定电话:
企业邮箱:
联系地址:山东省济宁市任城区古槐街道红星花园接建综合楼701号
邮编:
联系我时,请说是在汽配名企网上看到的,谢谢!
| 产品参数 | |||
|---|---|---|---|
| 是否支持加工定制 | 是 | ||
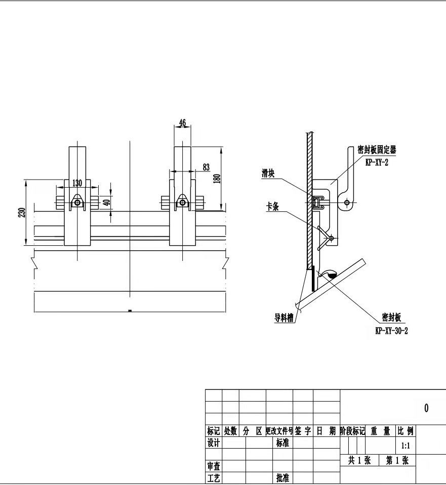
| 配件名称 | 夹持器角铝 | ||
| 适用机械 | 皮带输送机 | ||
| 新旧程度 | 全新 | ||
| 材质 | 聚氨酯橡胶 | ||
| 厚度 | 15mm | ||
| 颜色 | 黑红 | ||
| 高度 | 250mm | ||
| 产地 | 济宁 | ||
| 类型 | 防溢裙板 | ||
| 用途 | 矿用 | ||
| 特性 | 耐磨 | ||
| 型号 | Y250*15 | ||
| 宽度范围 | 120~280 | ||
| 厚度范围 | 15~16 | ||
| 设计 | 导料槽聚氨酯护皮 | ||
| 产品细节 | 密封板固定器83 KP - XY - 2滑块130密封板PX-30-2 | ||
| 比例 | 依据设计需求定制 | ||
| 设计文件签字 | 由相关责任人签署 | ||
| 日期 | 生产或检验日期标记 | ||
| 张数 | 共1张 | ||
| 批准 | 产品通过质量检验和批准程序 | ||
| 品牌 | 国龙 | ||
.jpg?w=616&h=896)
.jpg)
.jpg?w=1306&h=980)
.jpg?w=1279&h=1706)





.jpg?w=881&h=959)







