双轴气缸TN25X20S 郑州经销商
双轴气缸TN25X20S 郑州经销商
产品价格:(人民币)
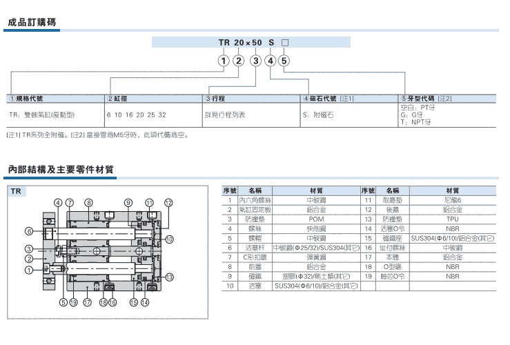
  • 规格:TN25X20S
  • 发货地:河南郑州市
  • 品牌:
  • 最小起订量:1台
  • 诚信商家
    会员级别:钻石会员
    认证类型:企业认证
    企业证件:通过认证

    商铺名称:郑州诺华机电设备有限公司

    联系人:刘先生(先生)

    联系手机:

    固定电话:

    企业邮箱:674277116@qq.com

    联系地址:河南省郑州会展路中心第一国际2123号

    邮编:450000

    联系我时,请说是在汽配名企网上看到的,谢谢!

    商品详情
    0571-87774297